适老版
无障碍
网站支持IPv6
首 页
市情
政府信息公开
政务服务
专题
互动回应
当前位置:
首页
>
专题
>
伊春市政府网站工作报告
>
部门网站工作年度报表
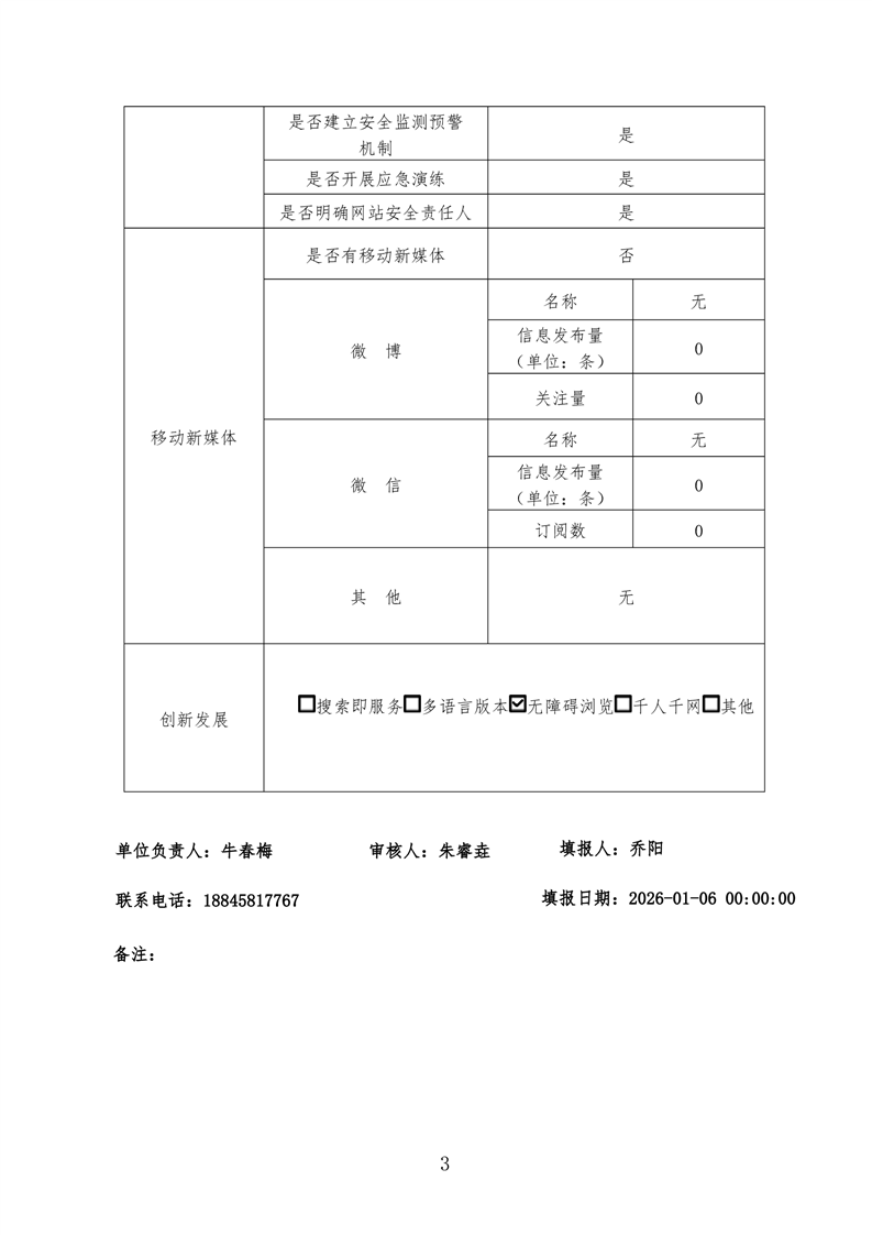
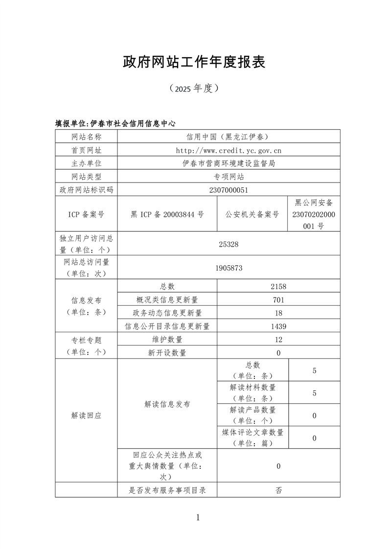
信用中国(黑龙江伊春)政府网站工作年度报表(2025年度)
日期:
2026-01-09 13:57
来源:
市营商环境建设监督局
【字体:
大
中
小
】
分享到:
Hi!我是智能问答机器人小伊,
很高兴为您服务~